- 当前位置:首页 > 产品方案 > NX系列
-
-
NX级进模设计软件优化了冲模的设计过程,其生产力水平远远超过了传统的CAD软件。通过提供一个基于专家最佳实践的结构化工作流,通过自动完成冲模特定的设计任务,通过提供标准部件库,NX级进模设计软件提供了一个分步过程和效率最高的工作流,同时把设计技术的复杂要素集成到自动排定的顺序中。
? 最完整解决方案之一NX级进模设计软件用只要求最少输入便可执行的过程特定功能取代了劳动密集型的步骤,与传统软件系统相比大幅提高了周转速度。 除此之外,NX级进模设计软件可以帮助您捕捉并利用您自己的级进模设计知识,进一步提高生产力。
? 先进的钣金零件设计工具NX级进模设计软件是独一无二的,因为它支持自由形状与直弯钣金零件几何体。NX级进模设计软件,NX钣金和通用建模命令结合在一起,以便对所有行业的大多数零件进行高效设计和编辑。
? 毛坯与中间状态的设计基于FEM的展开技术可以把复杂的自由形状几何体展开到扁平毛坯以及中间弯曲状态。可以把特征识别功能应用于直弯零件,以便自动重建零件,然后再展开。

? 废料设计利用功能强大的NX草图绘制工具,可以放置曲线并规定关联废料。NX级进模设计软件能够自动识别孔、导杆废料以及冲孔冲头。

? 带料排样功能强大易用的带料排样工具可以控制材料定向,定义拖放工位,并且插入空闲工位。可以轻易定义并编辑废料在带料中的放置位置,同时保持与下游冲孔冲头之间的关联性。
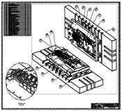
? 冲模模架库和标准部件库通过NX级进模设计软件的冲模模架、标准零件以及组件库,设计人员能够访问各种冲模模架和标准部件。可以临时和永久定制并修改冲模模架和标准零件。除此之外,您还可以通过用电子数据表来纳入您自己的冲模模架或标准零件设计,从而增加灵活性和自动化程度。

? 组件根据选择的带料几何体,自动在冲模装配内对冲模镶块进行定位并确定其尺寸,可以高效设计组件(冲头/冲模/ 凸起/导杆/等等)。通过修正落料选项,可以根据行业最佳实践定义冲孔冲头和冲模偏置参数。
? 冲模设计自动化通过功能强大的可视化与装配管理工具,很容易引导完成复杂的零部件装配,从而使冲模设计过程实现自动化。自动在冲模板里面生成型腔与废料孔腔体,同时还自动创建下游止裂口并自动管理间隙。

? 设计验证和装配设计内容NX冲模设计软件提供了冲模设计人员需要的强大验证工具。利用NX,冲模设计人员能够用带料仿真来验证带料设计、根据带料排样设计自动计算冲头力和力心、管理并控制废料孔和镶块之间的间隙、通过装配干涉检查来检查部件干涉。
? 设计变更在引入一个新模型时,不必创建一个新的冲模。通过比较与交换功能,您可以使用新版本来轻松变更现有模型,不受CAD格式的限制 – 从而允许您随意变更冲模设计。对零件模型的变更会被传播到毛坯、带料料和镶块。下游的任何变更都会反映在冲模设计中。
? BOM与文档化自动根据冲模设计生成部件与装配图纸;创建并管理BOM,规定并控制每一列里面的内容(包括坯料尺寸)并将其导出到Excel。对零件模型的变更会被传播到毛坯、带料和镶块。下游的任何变更都会反映在冲模设计中。

? 制造集成NX级进模设计软件把嵌入标准部件的智能信息与规则用于基于特征的先进加工。CAM系统能够理解并利用不同部件要求的精度完成加工编程。可以把生产效率更高的高速加工过程用作NX CAM模板组的一部分。除了高速铣削设备带来的收益外,这些方法还可以减少电极数量并缩短基准时间。集成的NX环境可以确保CAM编程和其它下游功能一样与产品、带料和冲模模型关联。由于冲模和NC程序会根据新几何体更新,因此变更单的处理非常简单。
? 产品数据与过程管理在Teamcenter环境里面管理标准设计。查找、共享并且同步设计与制造之间的产品与过程信息。并行工作,同时保持数据完整性,在车间实现设计与作业指导书的可视化。
-
您对本产品感兴趣么?
>请联系 UGCAN 了解产品相关详情,如产品功能、技术实施和价格等
- 上一篇:NX注塑模具设计 下一篇:NX加工
在线客服






